Промышленные фильтры Tefsa
Официальный представитель.
Промышленные фильтры Tefsa
Официальный представитель.
Ваш надежный партнер
в Мире промышленной фильтрации
Наша компания является официальным поставщиком и сервисной компанией в России бренда «TEFSA». Комплексная поставка фильтров с вспомогательным оборудованием, включая шеф-монтажные и пуско-наладочные работы, в том числе, поставка и монтаж оборудования «под ключ». Фильтр-прессы с огромным ресурсом несущей станины более 25-40 лет.

Применение фильтр-прессов в процессе разделения на твердую и жидкую фазы - это на сегодняшний день наиболее распространенный метод в различных видах промышленности благодаря его высокой производительности, которая является ключевым фактором в тяжёлом режиме работы и горной промышленности, где требуются высокие результаты при использовании специального высокотехнологичного оборудования.
Фильтр-прессы такого типа имеют следующие гарантии:

На сегодняшний день TEFSA - одна из лидирующих мировых компаний, производящих фильтрационное оборудование благодаря нашему развитию за последние 40 лет. Мы поставляем фильтр-прессы серии PFO на предприятия горной промышленности, где требования очень высоки, в основном при работе с обогащением металла, промышленными минералами, переработке угля и хвостов и гарантируем наилучший результат благодаря:

Фильтр-пресс модели PFO компании TEFSA отличается не только простотой и надежностью, но и позволяет избежать неудобства в высокой стоимости эксплуатации стандартного вертикального фильтр-пресса.
Оборудование стоит на сверхмощной увеличенного размера надежной раме, входной плите и гидравлической плите. Плиты соединены между собой боковыми подвесками, поддерживающими весь пакет пластин. Гидравлические цилиндры также располагаются вдоль обеих сторон фильтр-пресса, по два цилиндра с каждой стороны. Их открытие создает свободное пространство между пластинами при помощи системы тяги с разделителями.
Фильтр-пресс оснащен гидравлическими двухдверными поддонами под пакетом пластин для сбора протечек и промывочной воды.
Гидравлический блок специально разработан в соответствии с быстро меняющимися требованиями фильтра, размещен на верхней части плиты и доступен с платформы фильтр-пресса, характерной для моделей серии PFO и входящей в стандартный комплект.
Фильтр-прессы серии PFO могу быть автоматизированы путем контроля всех переменных и постоянных параметров, оказывающих влияние на цикл фильтрации. Процесс контролируется, начиная с насоса подачи пульпы до выгрузки кека и обезвоживания, а также подачи сжатого воздуха, сжатия мембран, процессов промывки и перемещения фильтрополотен, при помощи простых процедур управления на жидкокристаллических экранах панелей управления.
Панели управления оборудования компании TEFSA разработаны и произведены нашим собственным электротехническим отделом, имеют высочайшие рабочие характеристики и соответствуют всем требованиям.


Требуемая для фильтра площадь рассчитывается в соответствии с выбором и сочетанием размера и количества пластин.
Фильтр-пресс серии PFO имеет возможность расширения пакета пластин при минимальных структурных и экономических затратах.
Приведенная ниже таблица содержит в качестве ориентировки габариты фильтр-пресса в соответствии с указанным размером пластины, количеством пластин и требуемой площади фильтра/объемом кека.
| Модель | Площадь фильтра (м2) |
Объем кека |
Габариты ДхШхВ(мм) |
|---|---|---|---|
|
PFO-1000 |
15-65 |
300-1.400 |
6800 х 1600 х 3400 тт |
|
PFO-1200 |
35-120 |
700-2.600 |
8000 х 1800 х 3800 тт |
|
PFO-1500 |
70-220 |
1.500-5.000 |
10100 x 2100 x 4500 тт |
|
PFO-2000 |
125-400 |
2.800-9.000 |
13200 х 2600 х 5500 тт |
Фильтр-прессы серии PFO сохранили все достоинства горизонтальных фильтр-прессов.
Цикл фильтрации и этапы работы этого оборудования общепринятые, однако, следует отметить следующие дополнительные особенности:
Различные функции, выполняемые фильтр-прессом серии PFO, компенсируют вариации, с которыми работает оборудование, например, плотность пульпы, стадии промывки, нейтрализации и обеспечения однородности кека в отличие от других моделей фильтр-прессов.

Связаться с менеджером: +7 (351) 211-44-86, +7 (351) 211-50-86
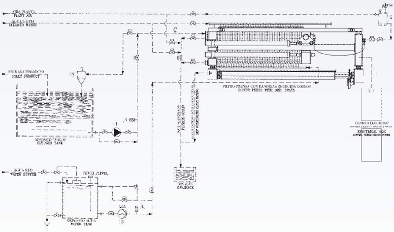
Узнать стоимостьСистема питания фильтр-пресса, отведения фильтрата, промывки и продувки осадка
454048, Магаданая область, Г.О. Магаданий, вн.р-н Советский, г. Магадан, ул. Сулимова, д. 92А, помещение 51
+7 (351) 211-44-75
+7 (351) 211-44-86
Информация на сайте носит ознакомительный характер и не является публичной офертой, определяемой положениями статьи 437 Гражданского кодекса РФ
© ООО "Астериас" в Магадане 2020. Все права защищены
Поддержка и продвижение сайта Цифровой Элемент
Мы используем cookies, чтобы сделать сайт ещё удобнее. К сайту подключен сервис Яндекс.Метрика, который также использует файлы cookie. Узнать подробнее.